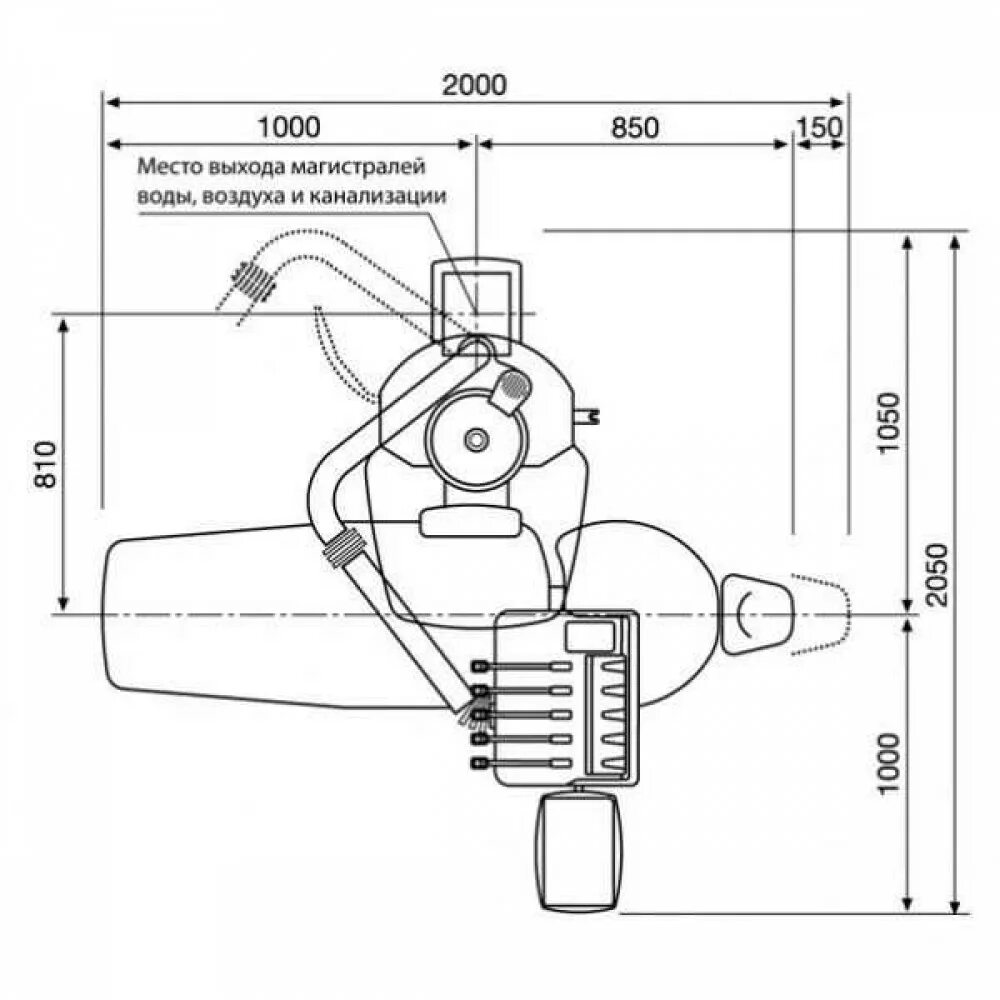
Площадь стоматологической установки