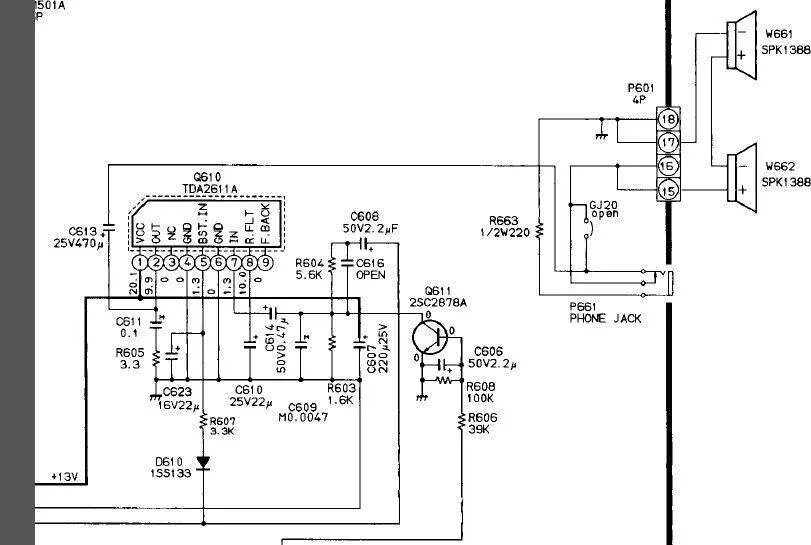
Плазма нет изображения звук есть