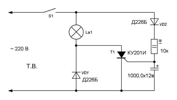
Плавное накаливание ламп