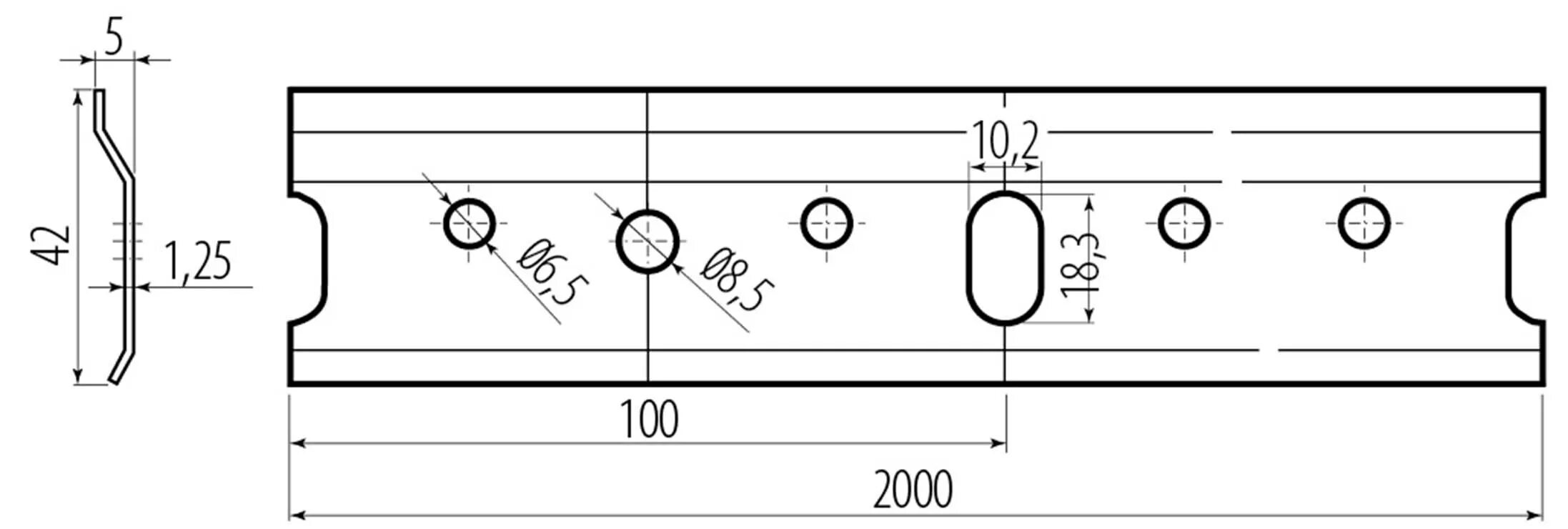
Планка для крепления навесных