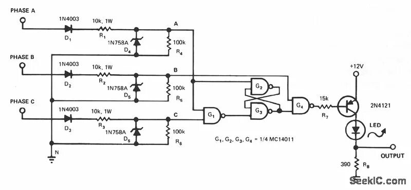
Phase sequence