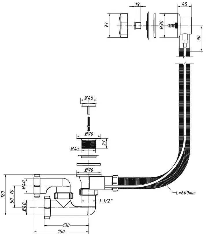
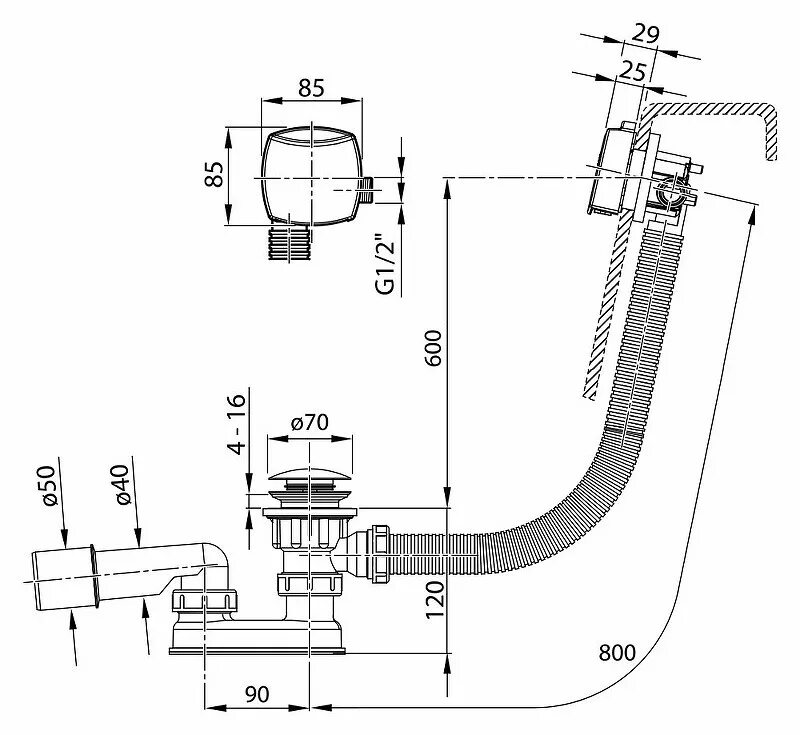
Перелив для ванны установка