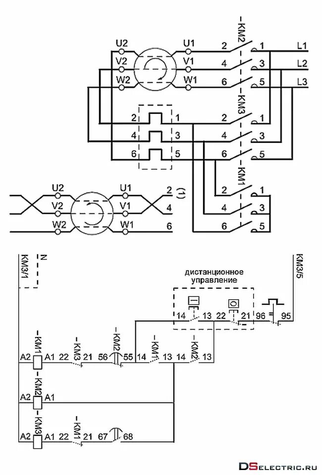
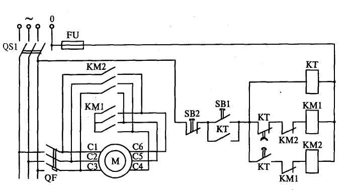
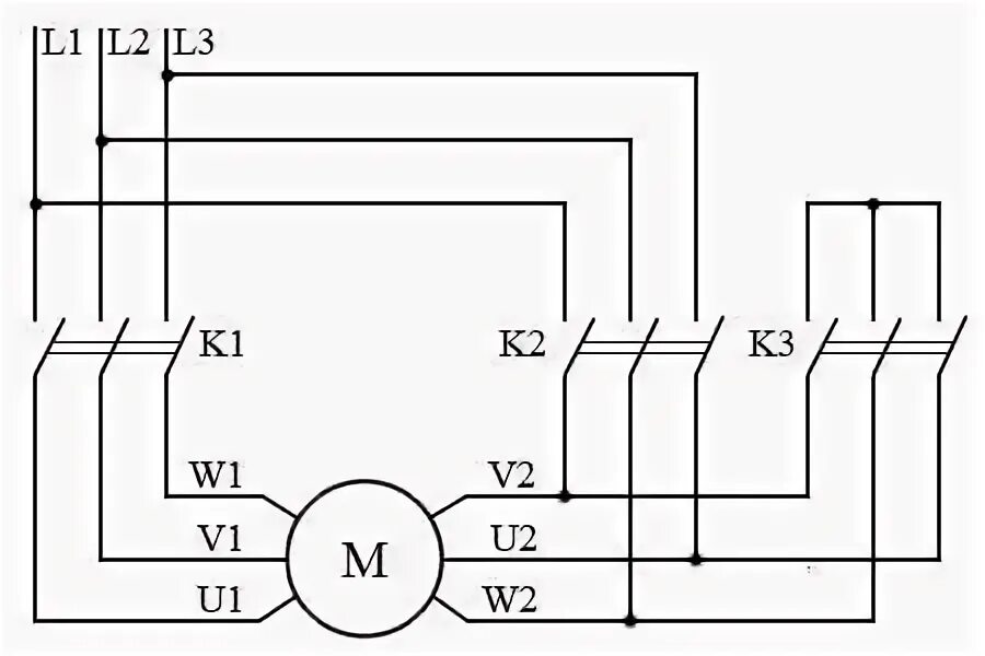
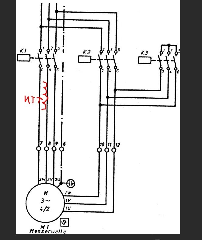
Переключение двигателя