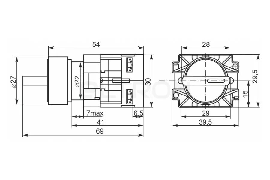
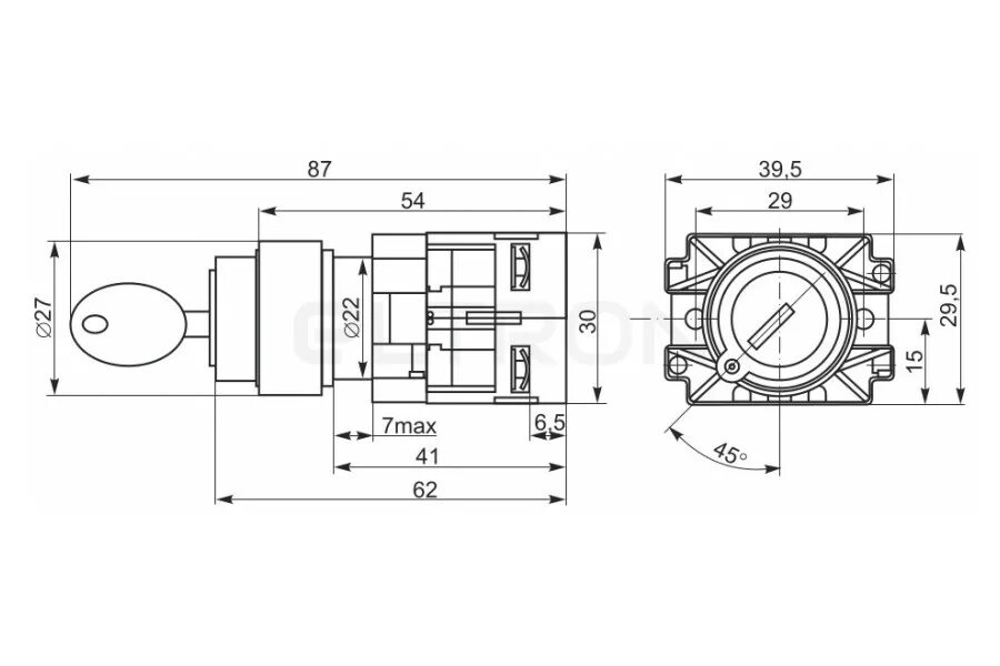
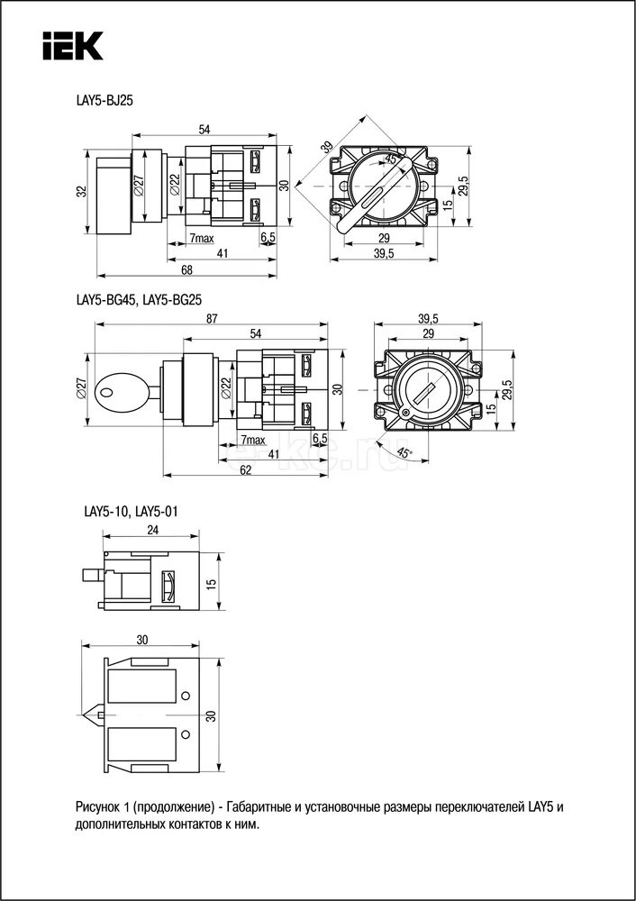
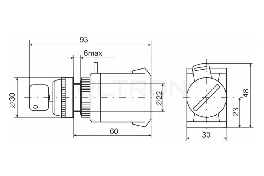
Переключатель положения iek