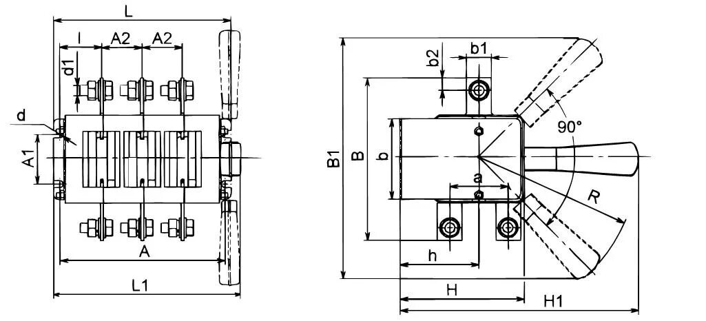
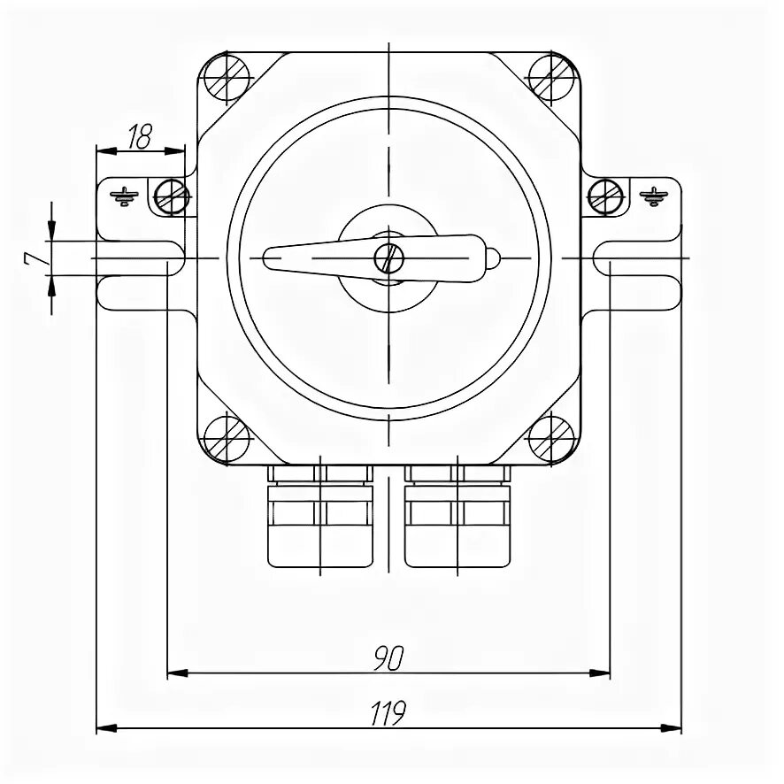
Переключатель на два направления