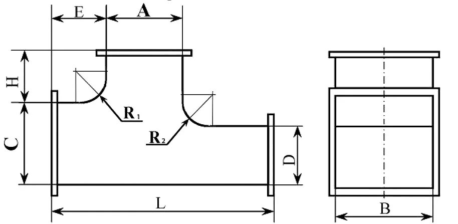
Переход тип 4