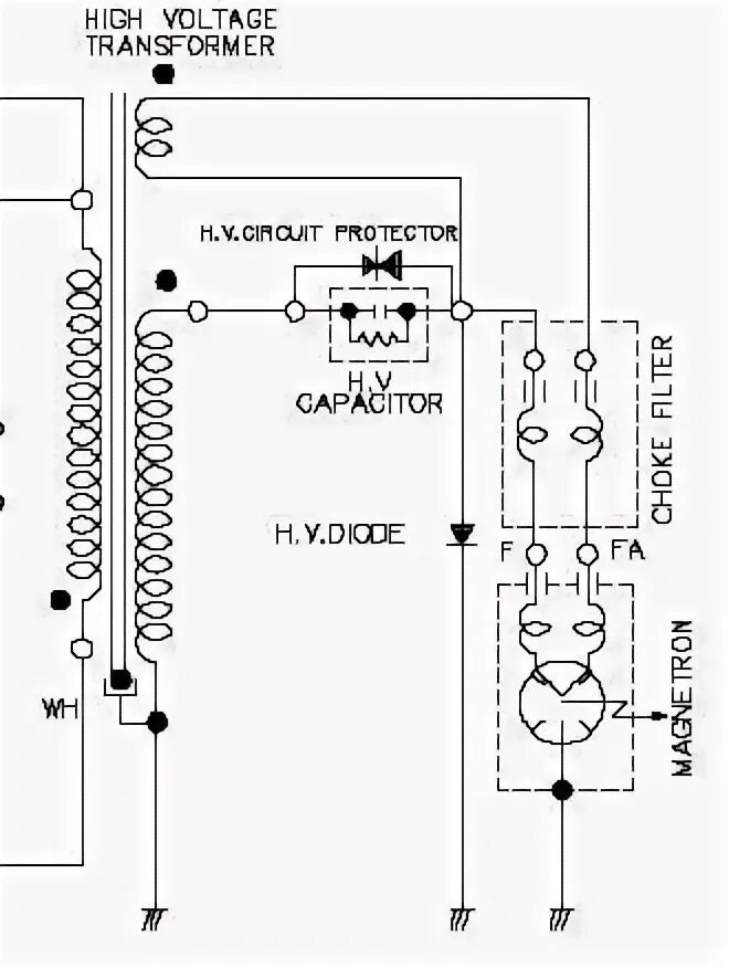
Перегорает предохранитель в микроволновке причины