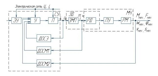
Передаточное устройство в электроприводе