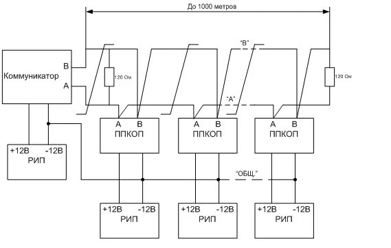
Передача данных бки