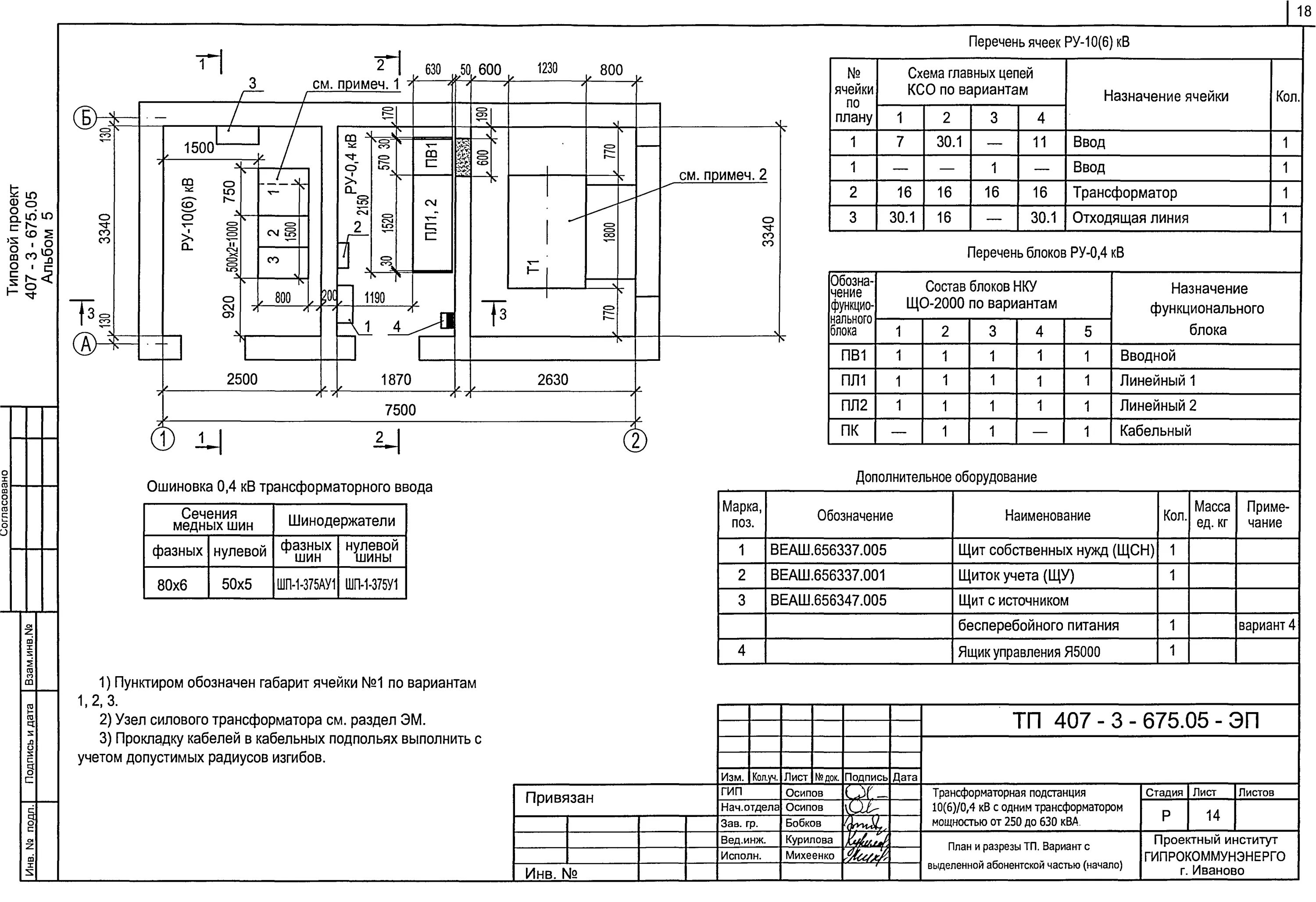
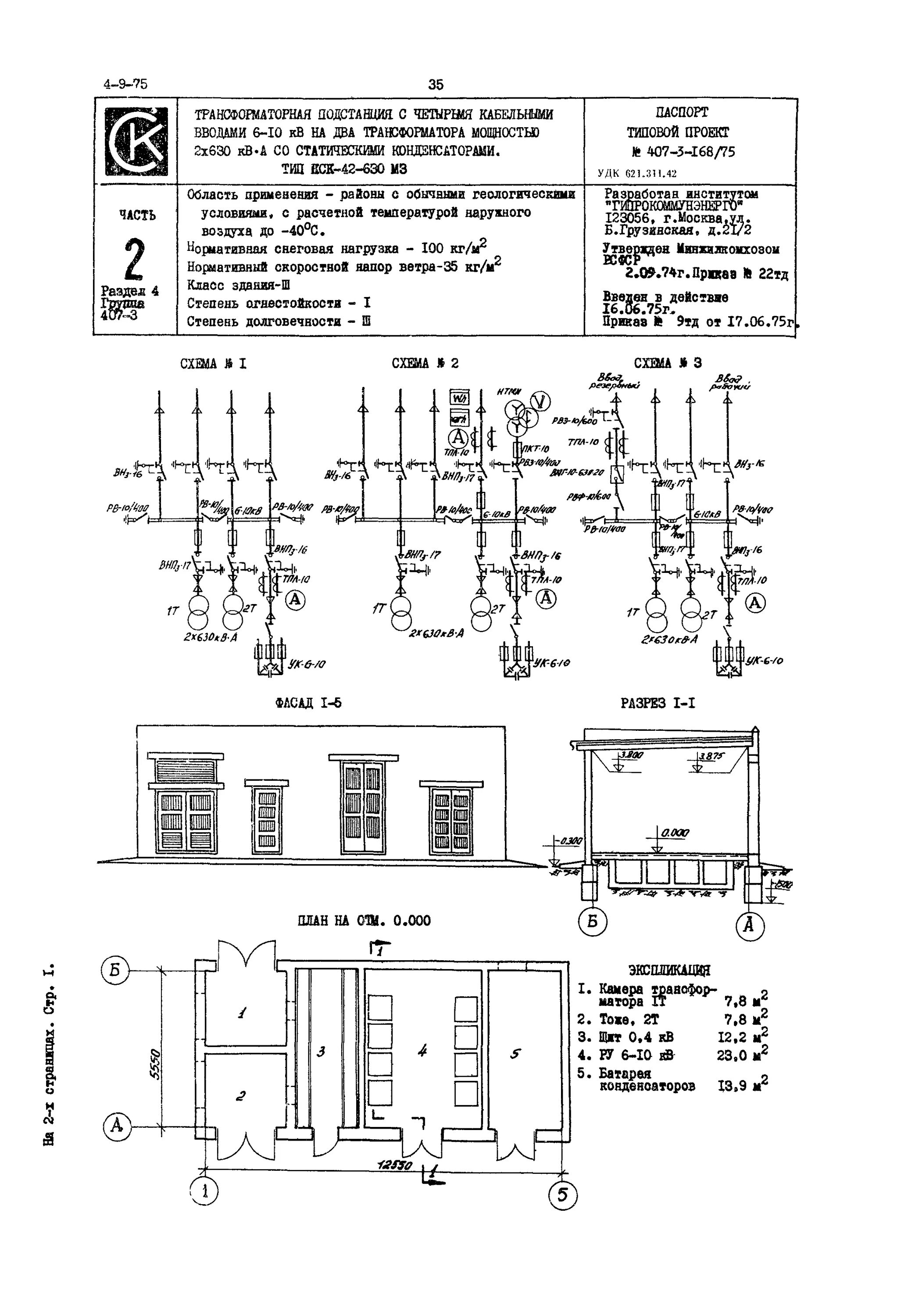
Перечень трансформаторных подстанций