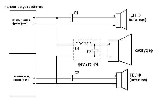
Пассивное соединение