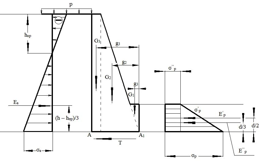
Пассивное давление на стенки