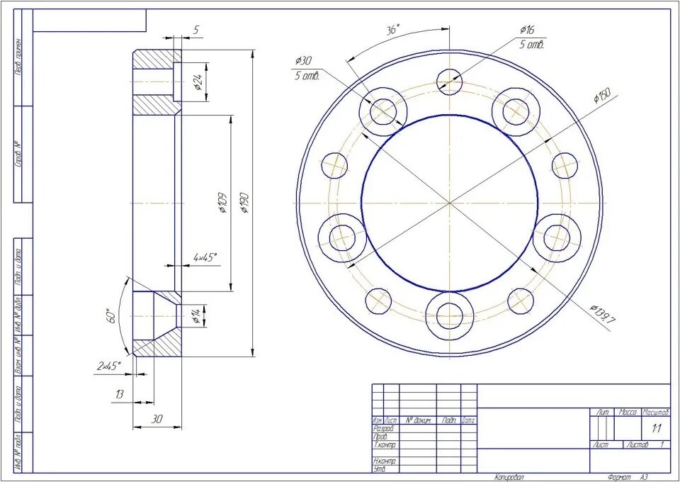
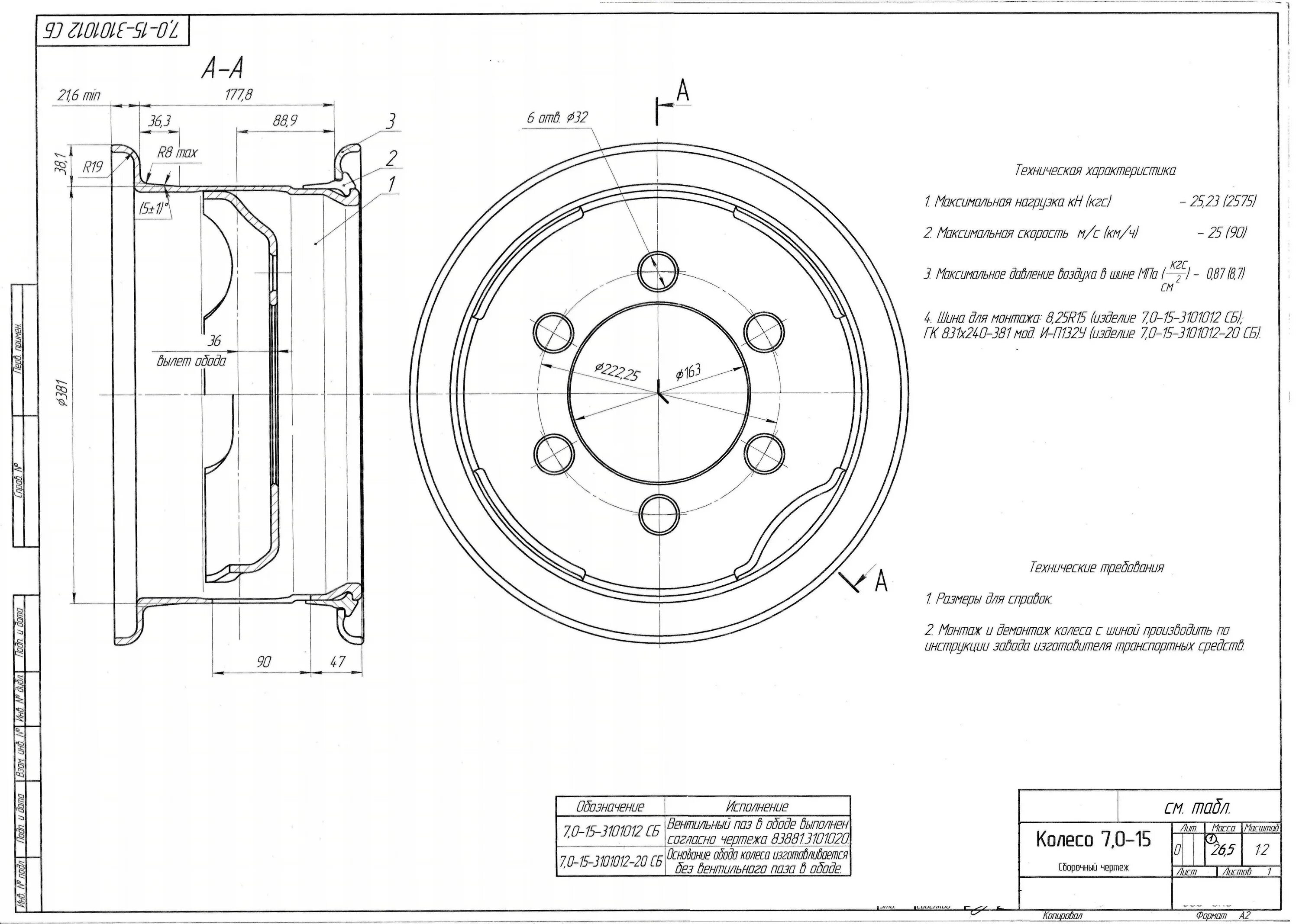
Параметры диска уаз