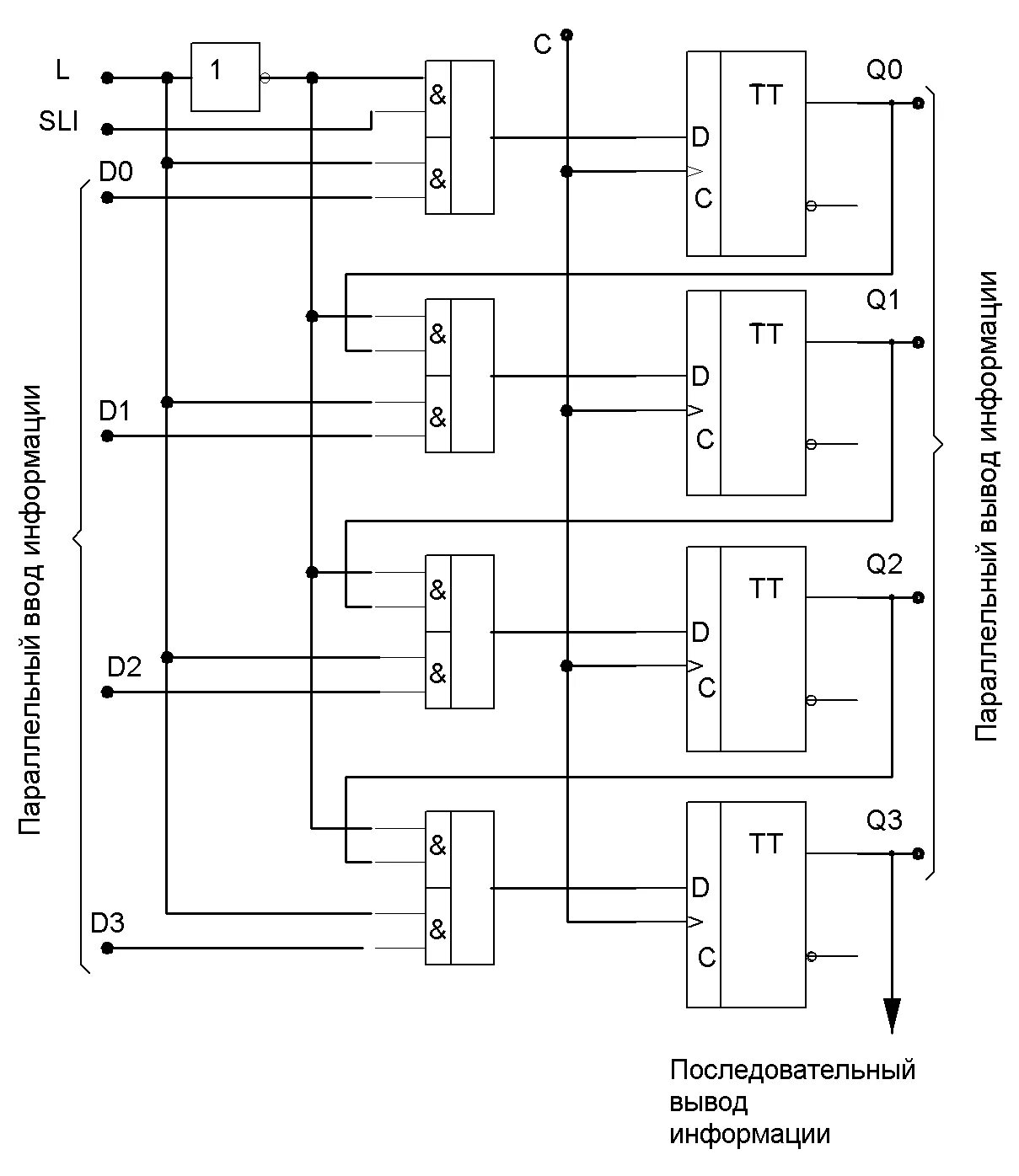
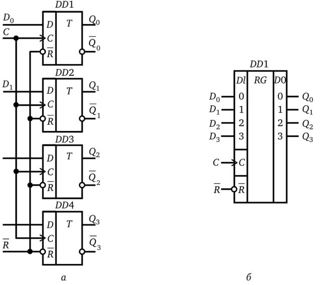
Параллельный регистр схема