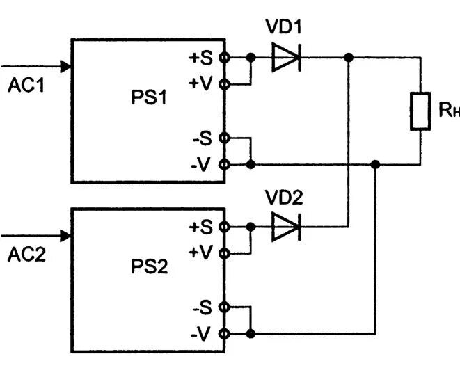
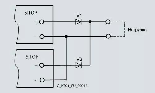
Параллельное соединение блоков питания