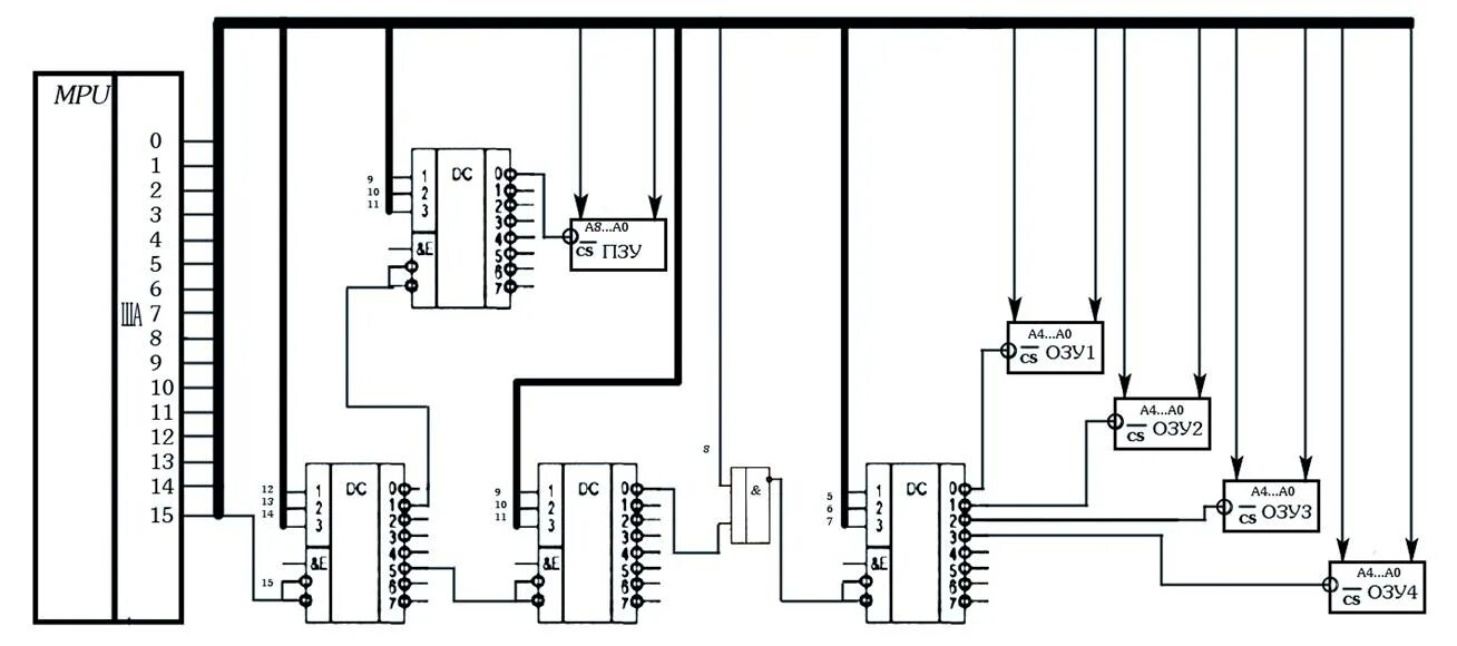
Озу и пзу