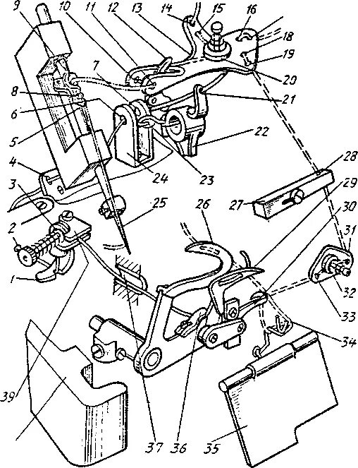
Оверлок как заправить нитки