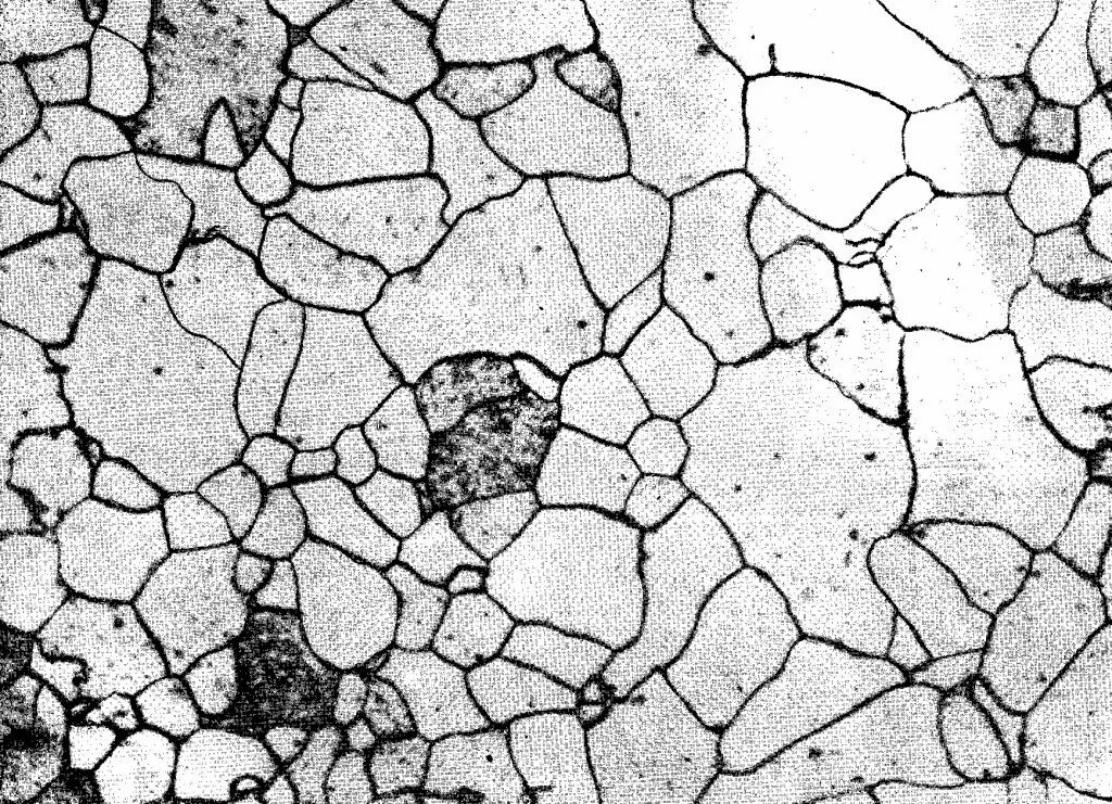
Отлитую из чистого железа