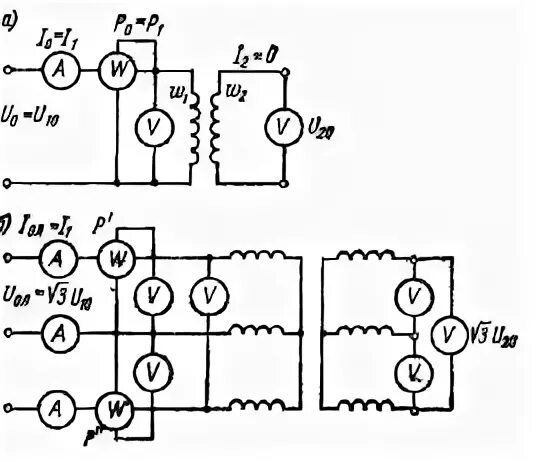
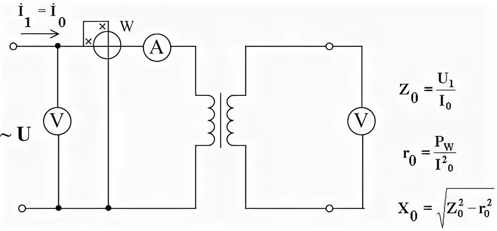
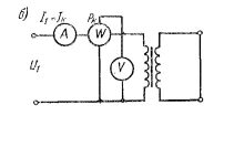
Опыт холостого хода однофазного трансформатора