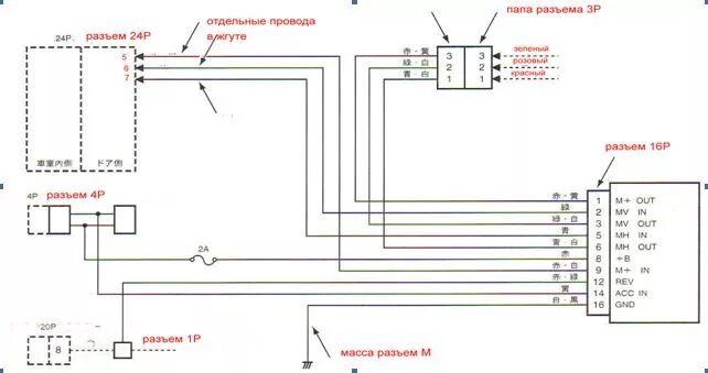
Опускание зеркал при движении задним ходом