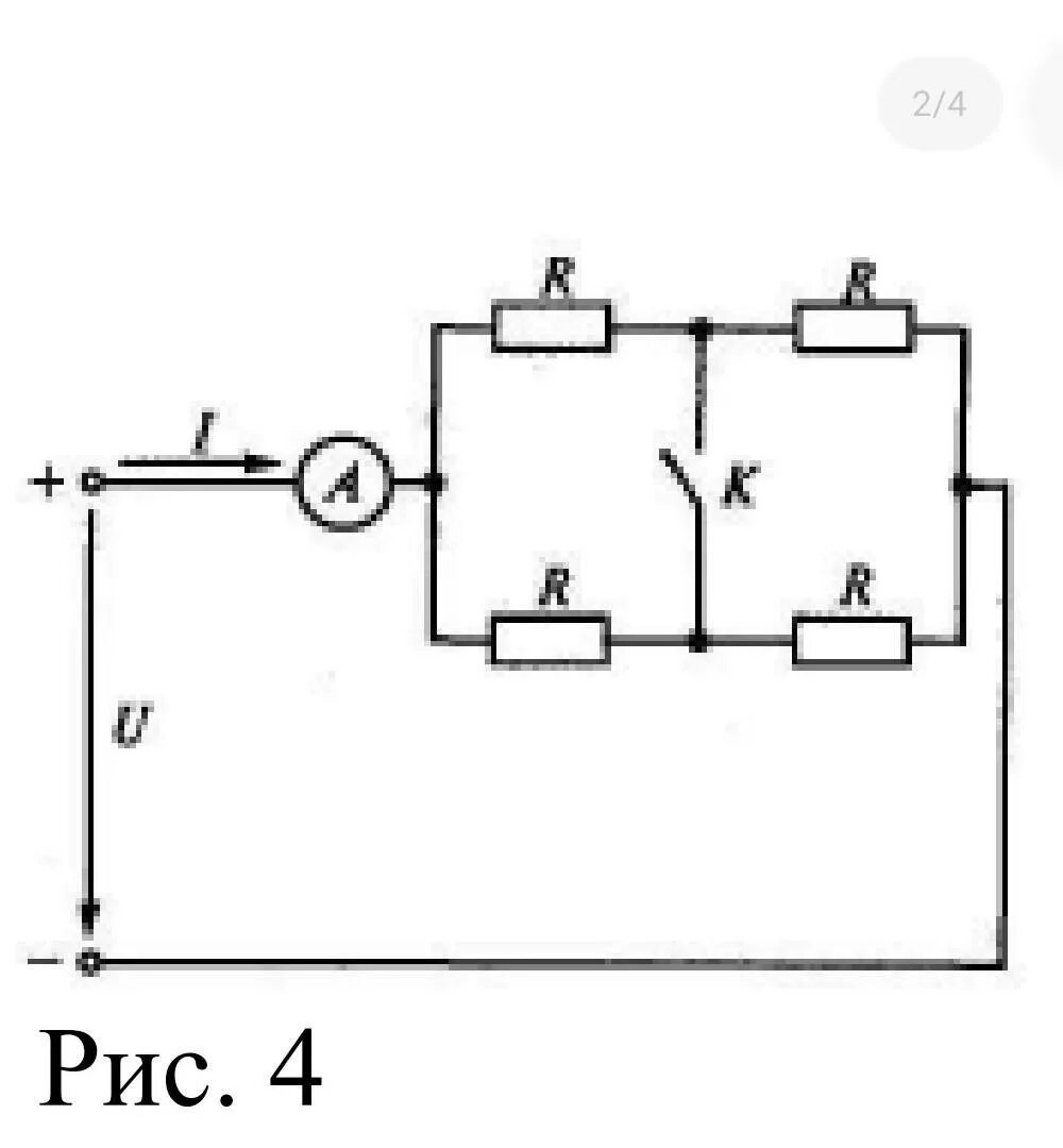
Определите показания вольтметра 1 после замыкания ключа