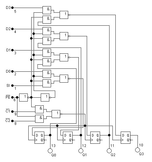
Определить регистр c