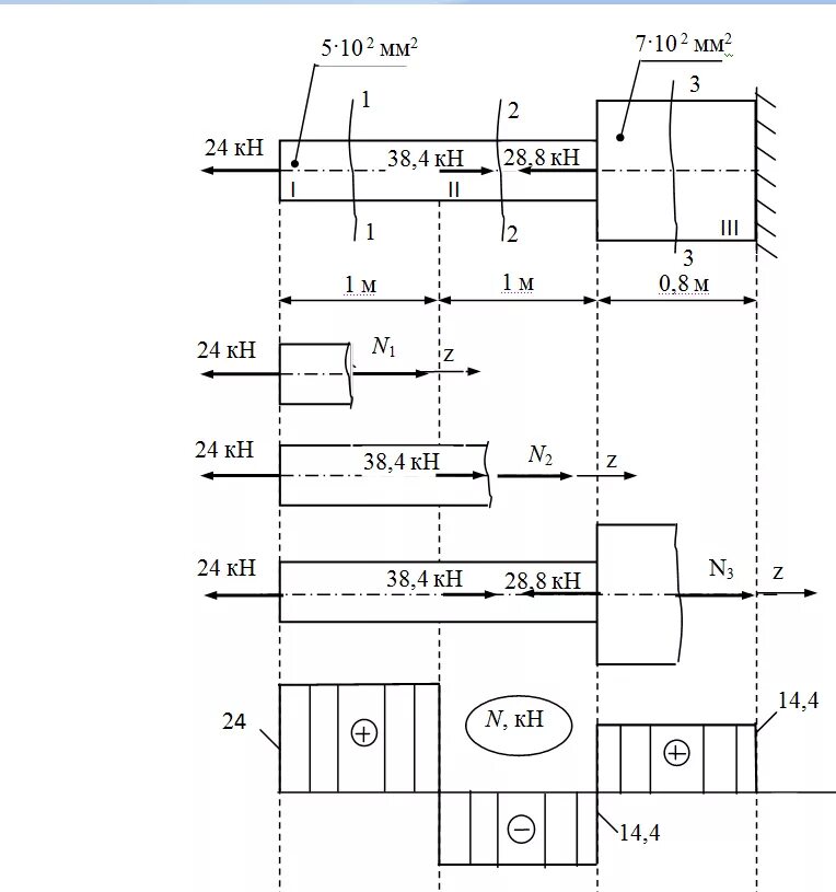
Определить перемещение свободного конца бруса