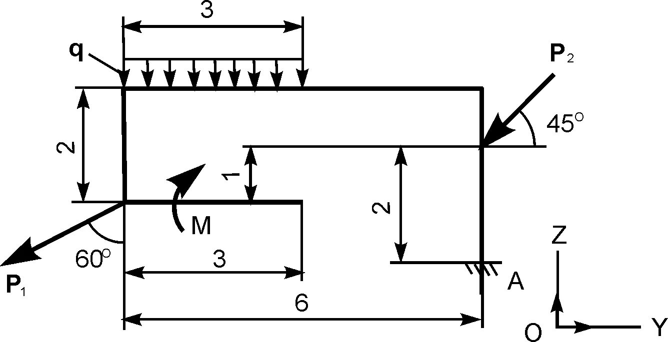
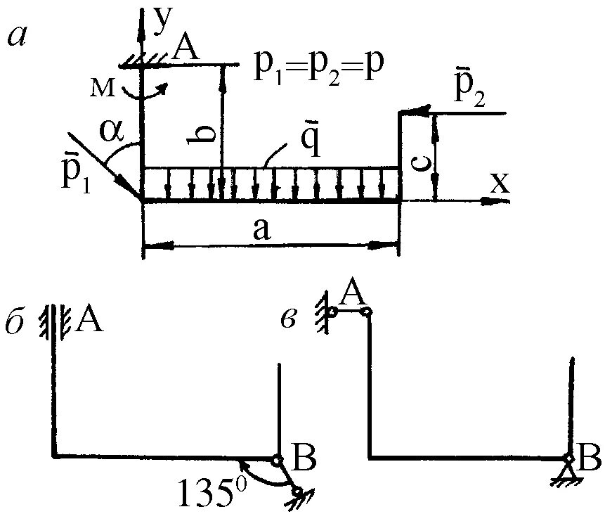
Определение реакции опоры механика