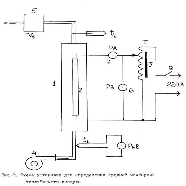
Определение отношения теплоемкости воздуха