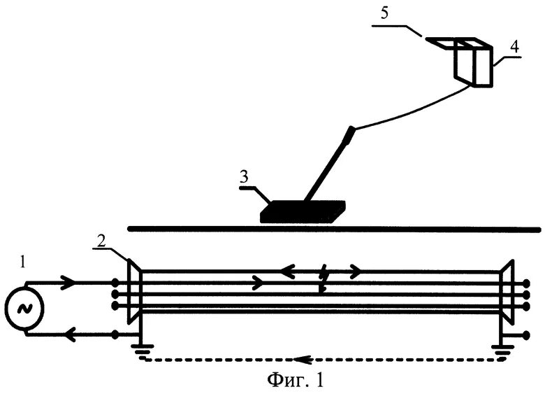
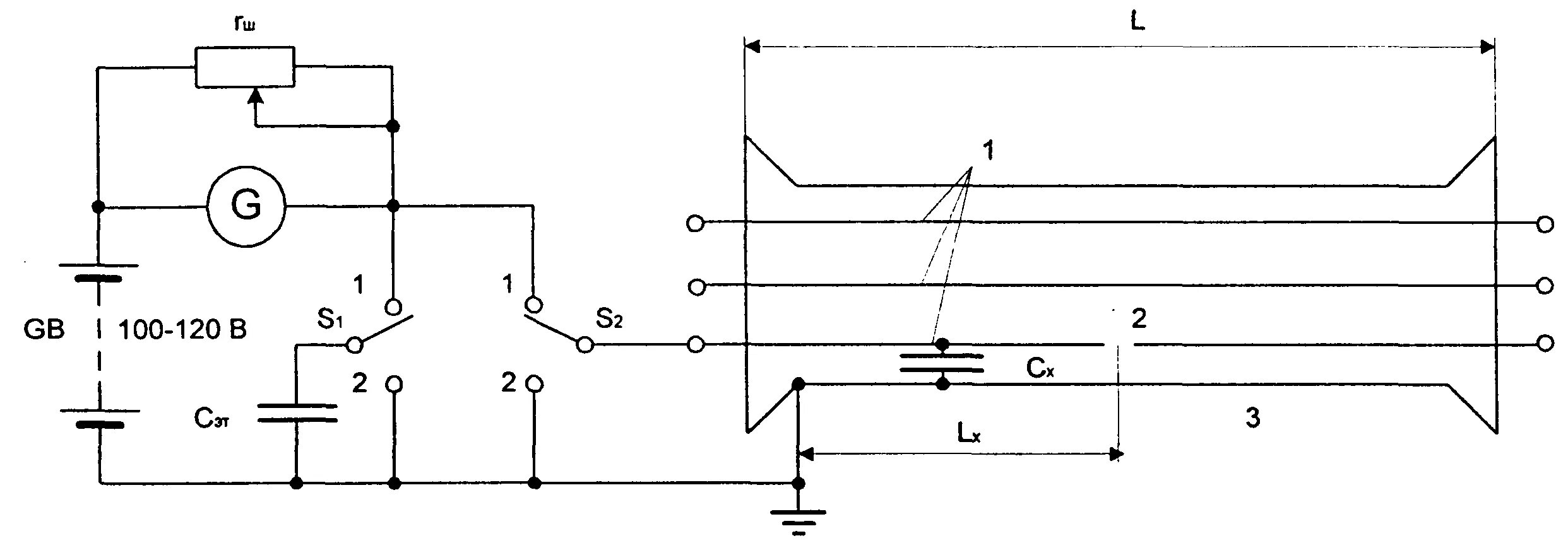
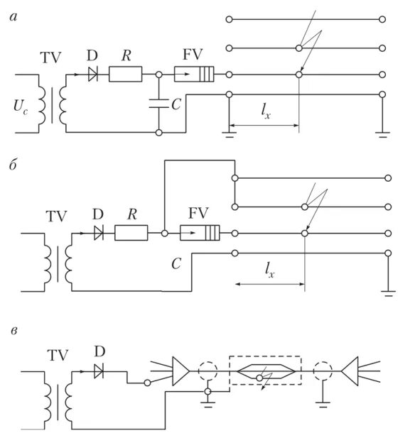
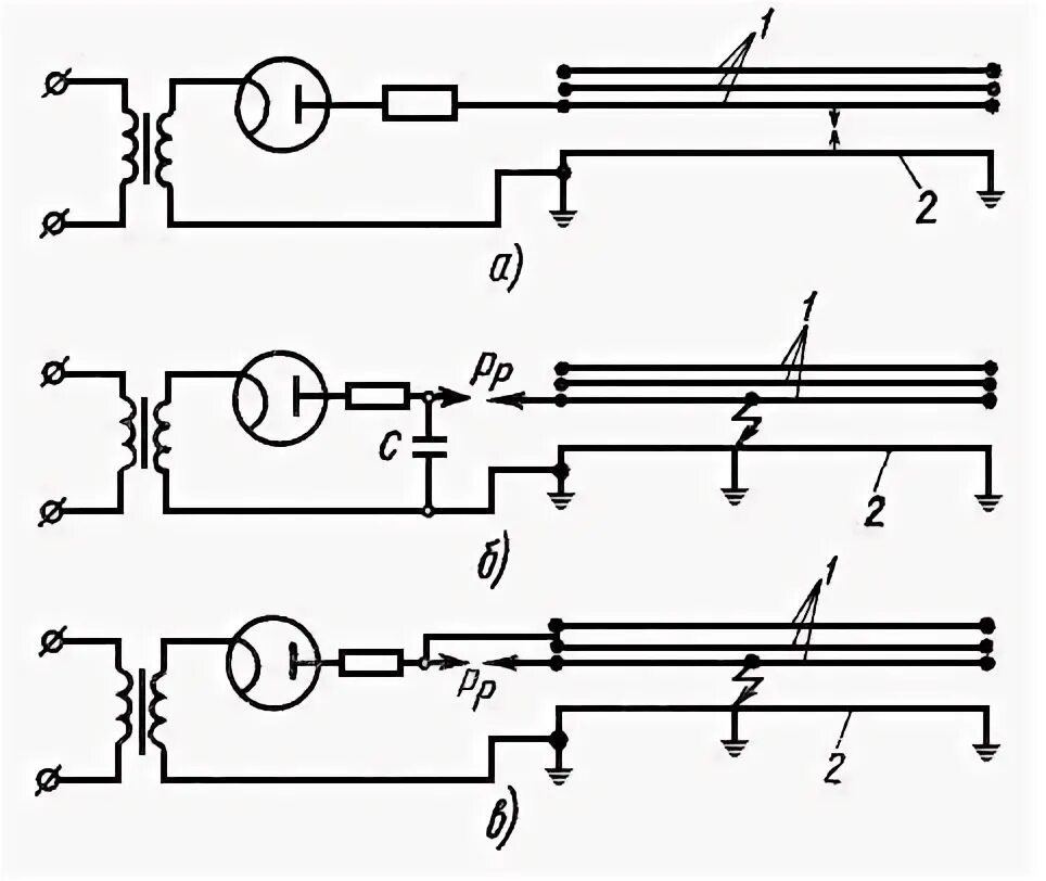
Определение места повреждения линии