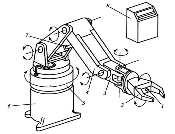
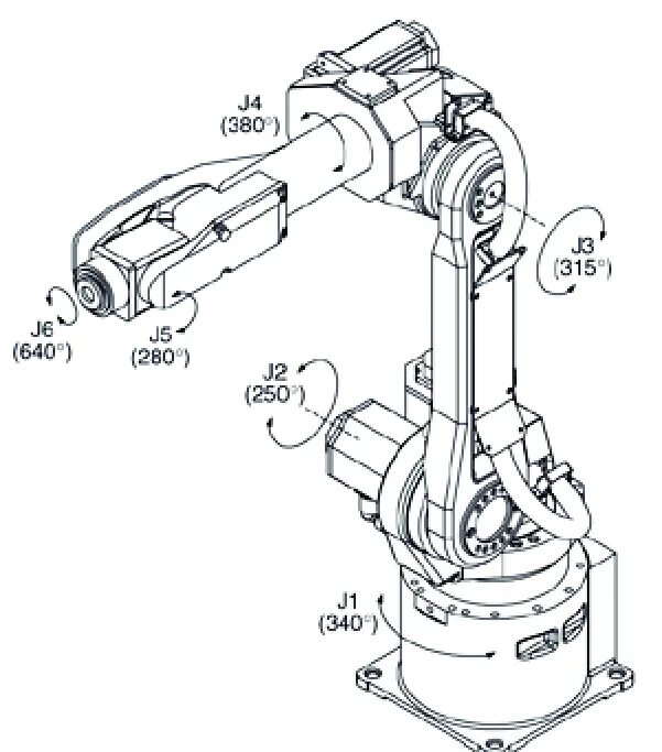
Опишите тип манипулятора