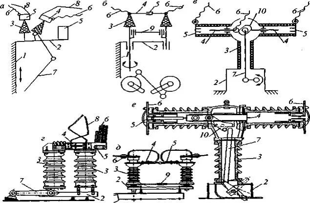
Оперирование разъединителями