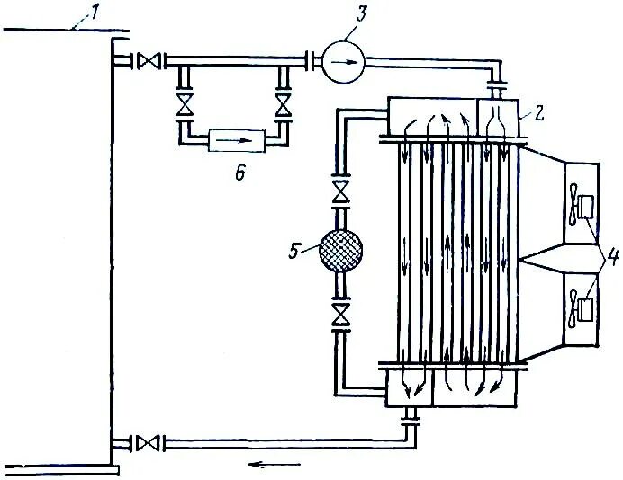
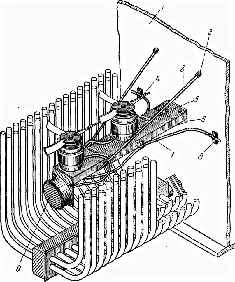
Охлаждающие устройства трансформаторов