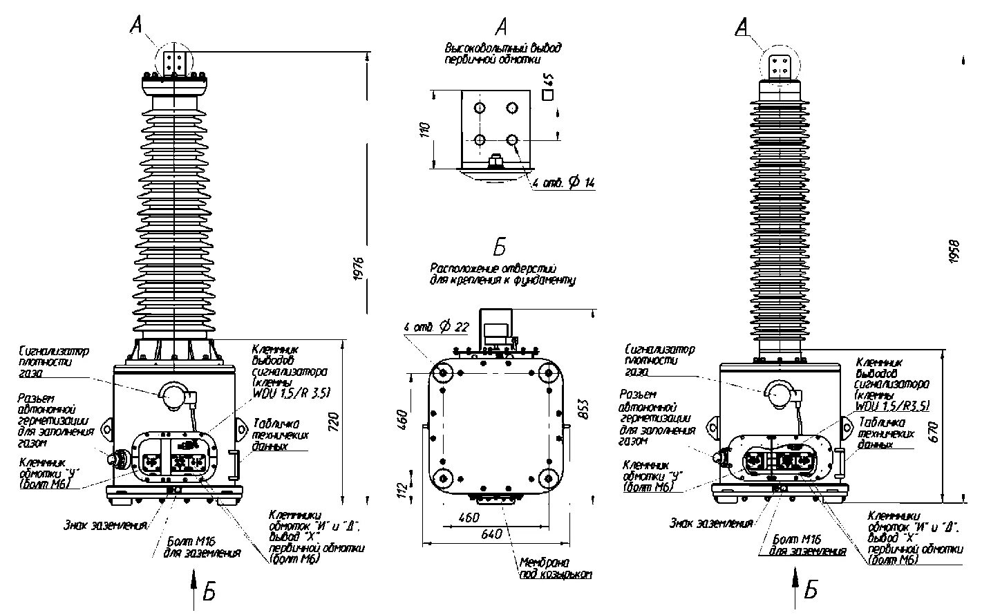
Однофазный трансформатор напряжения 110 кв