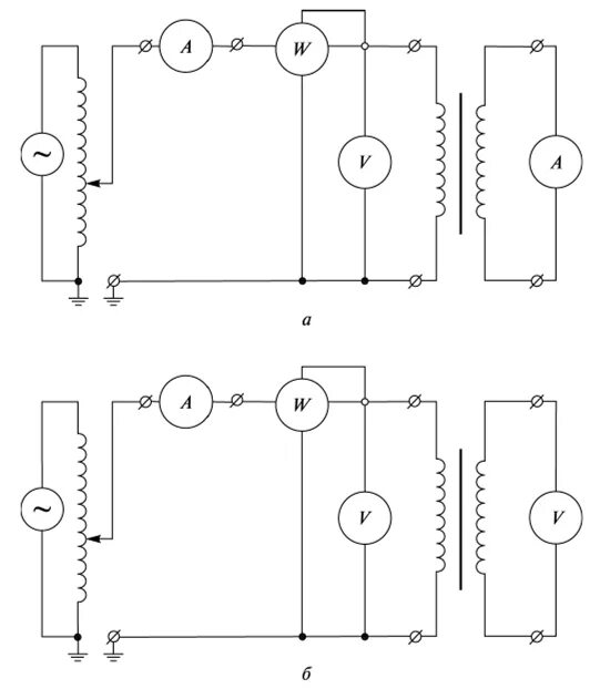
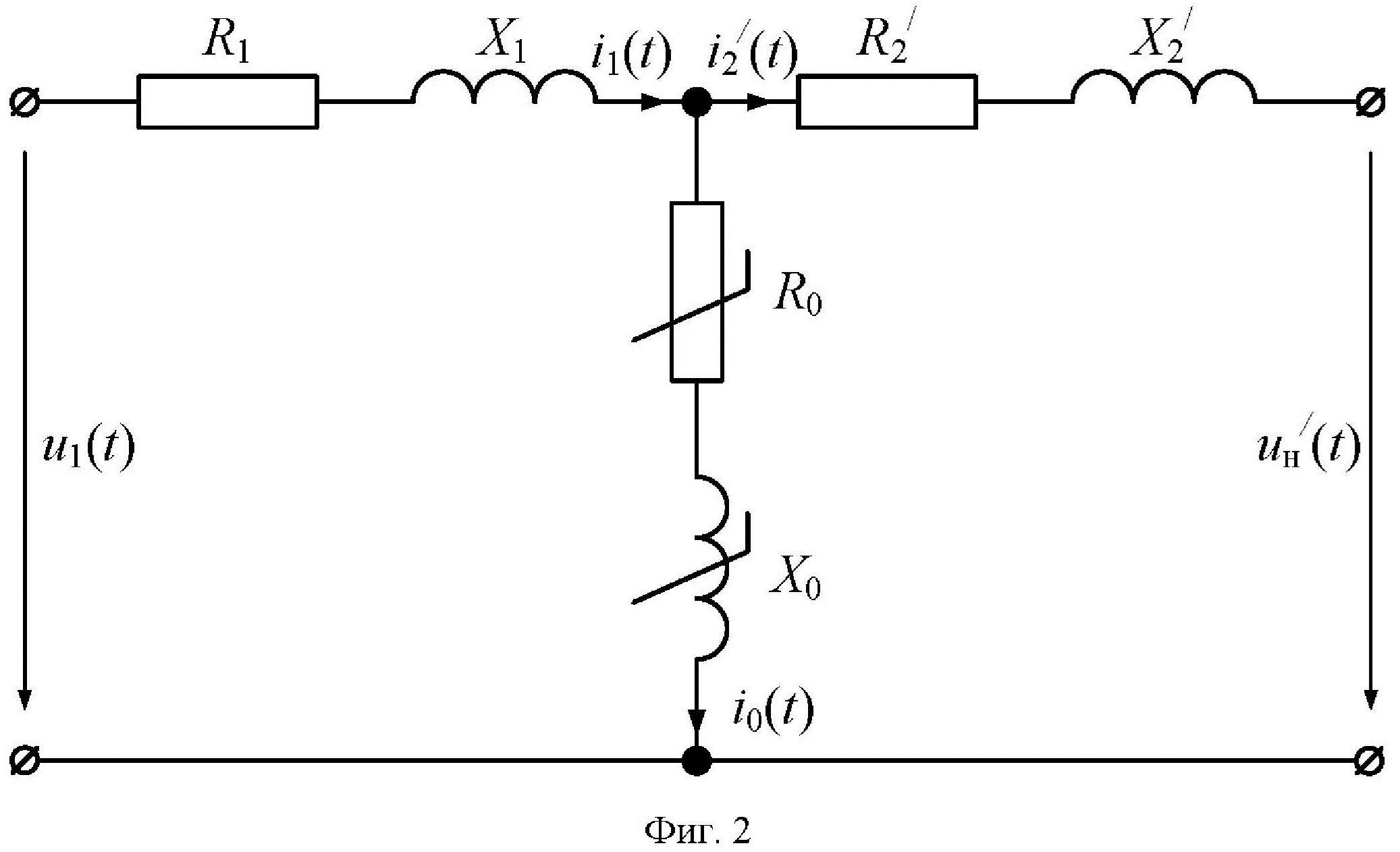
Однофазный двухобмоточный трансформатор