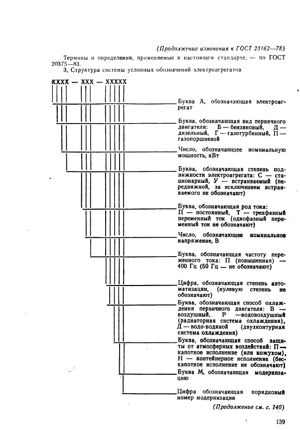
Обозначения дизеля