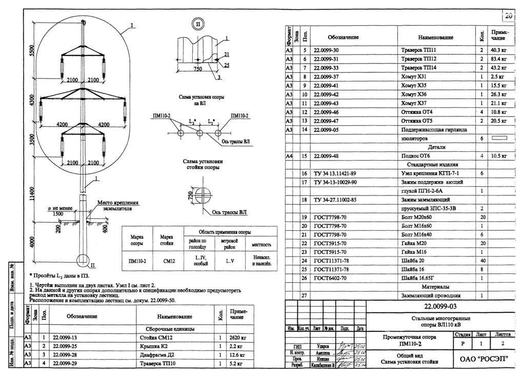
Обозначение воздушной линии