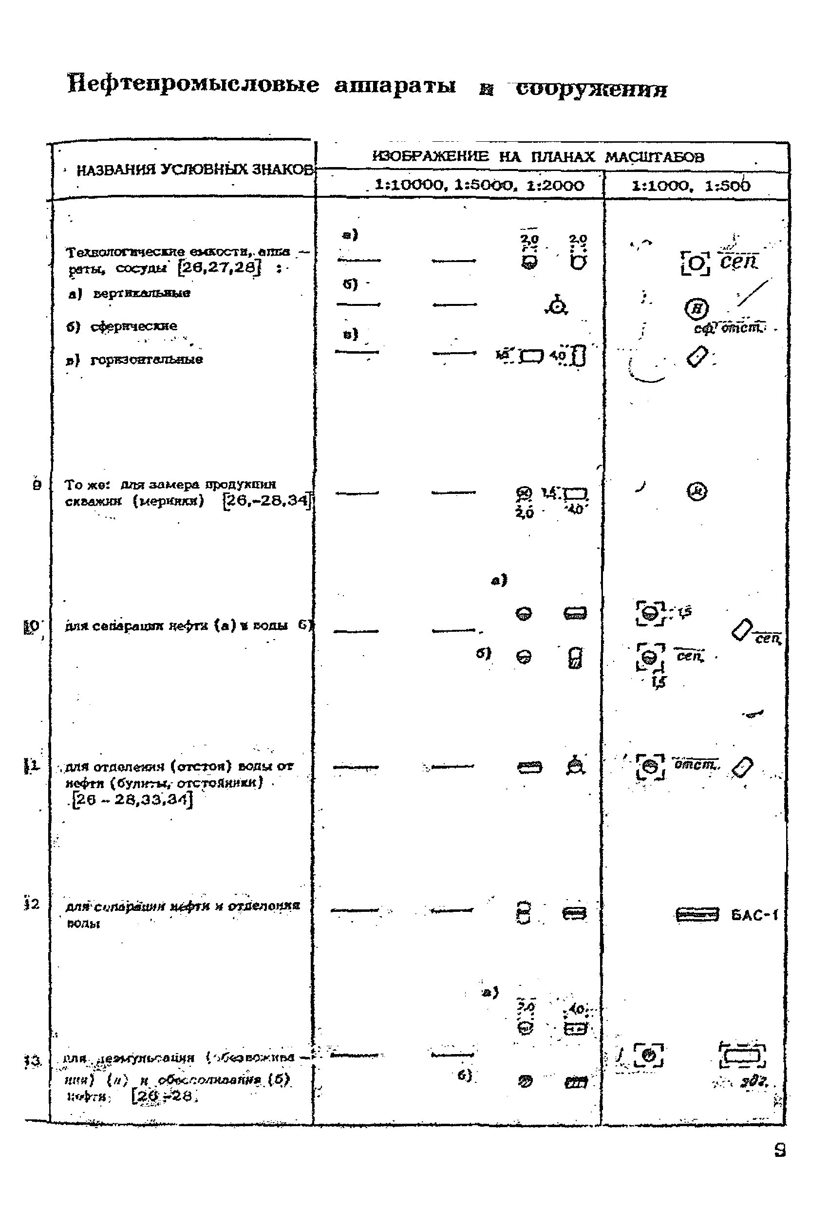
Обозначение скважины