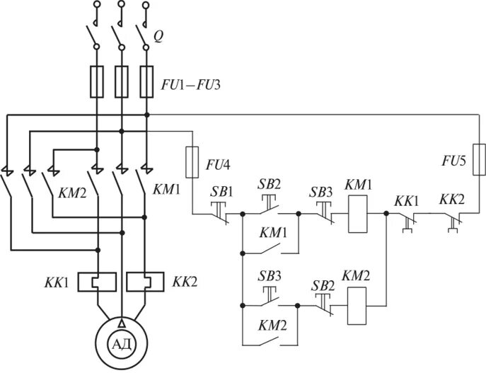
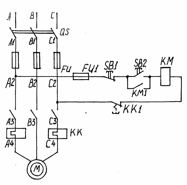
Обозначение магнитного пускателя на схеме