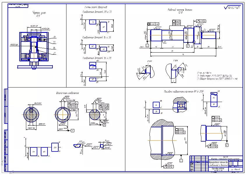
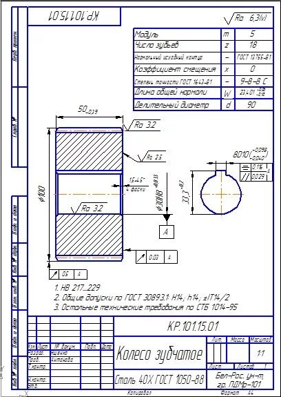
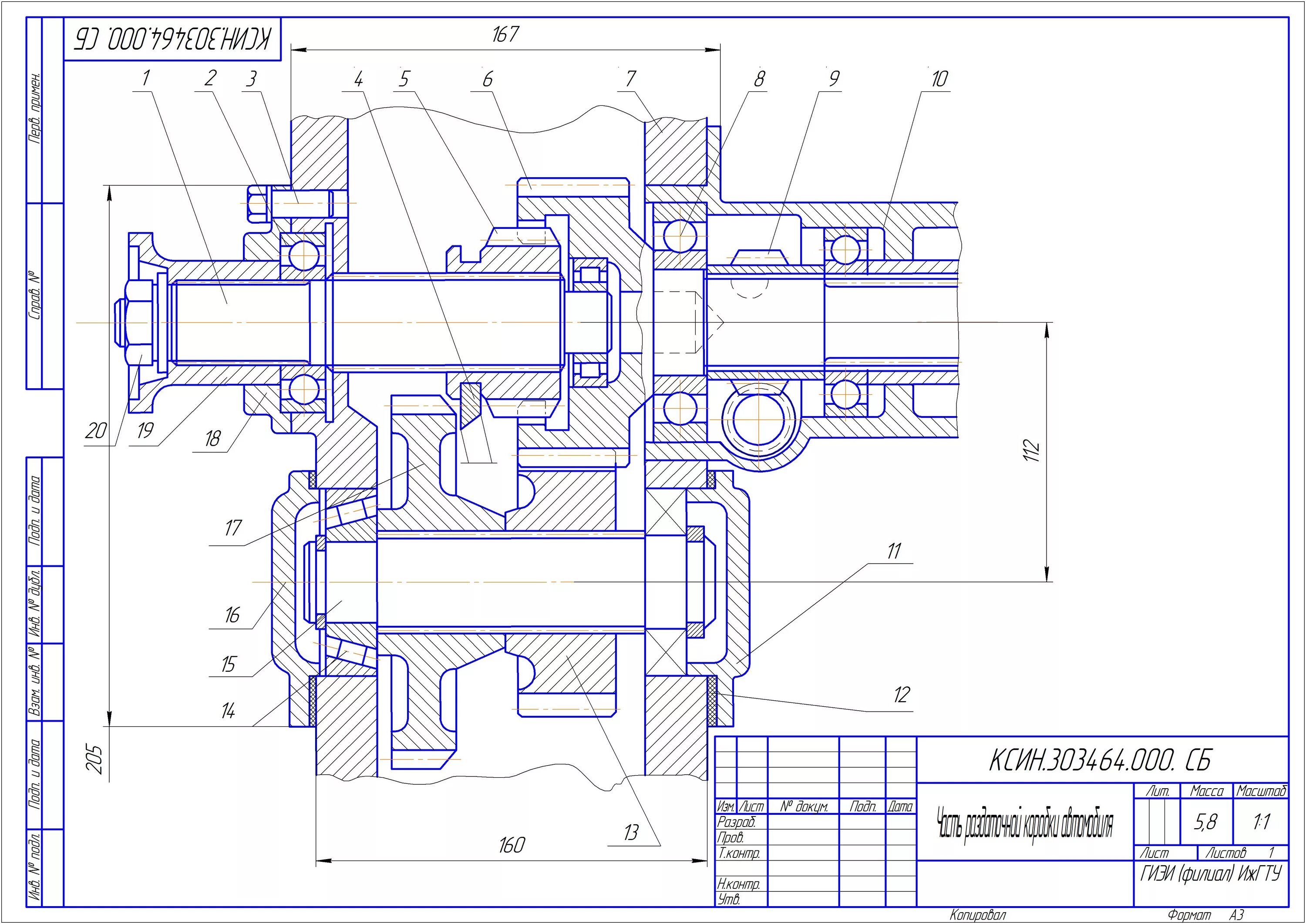
Нормирование точности соединений