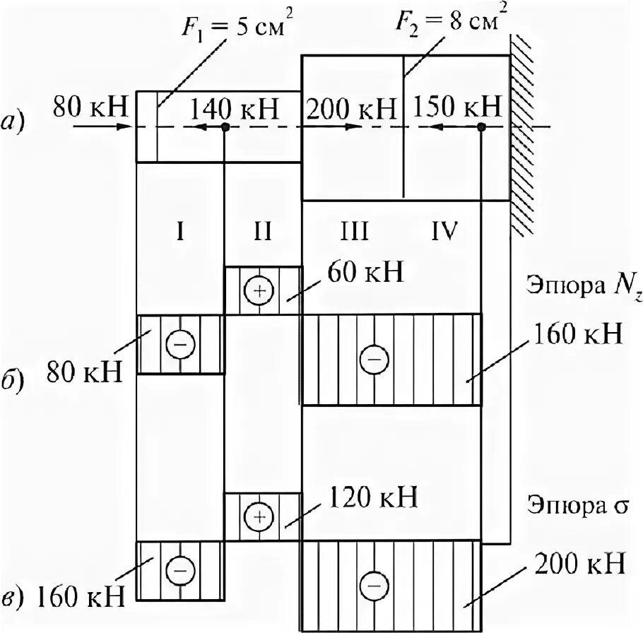
Нормальные напряжения в поперечных