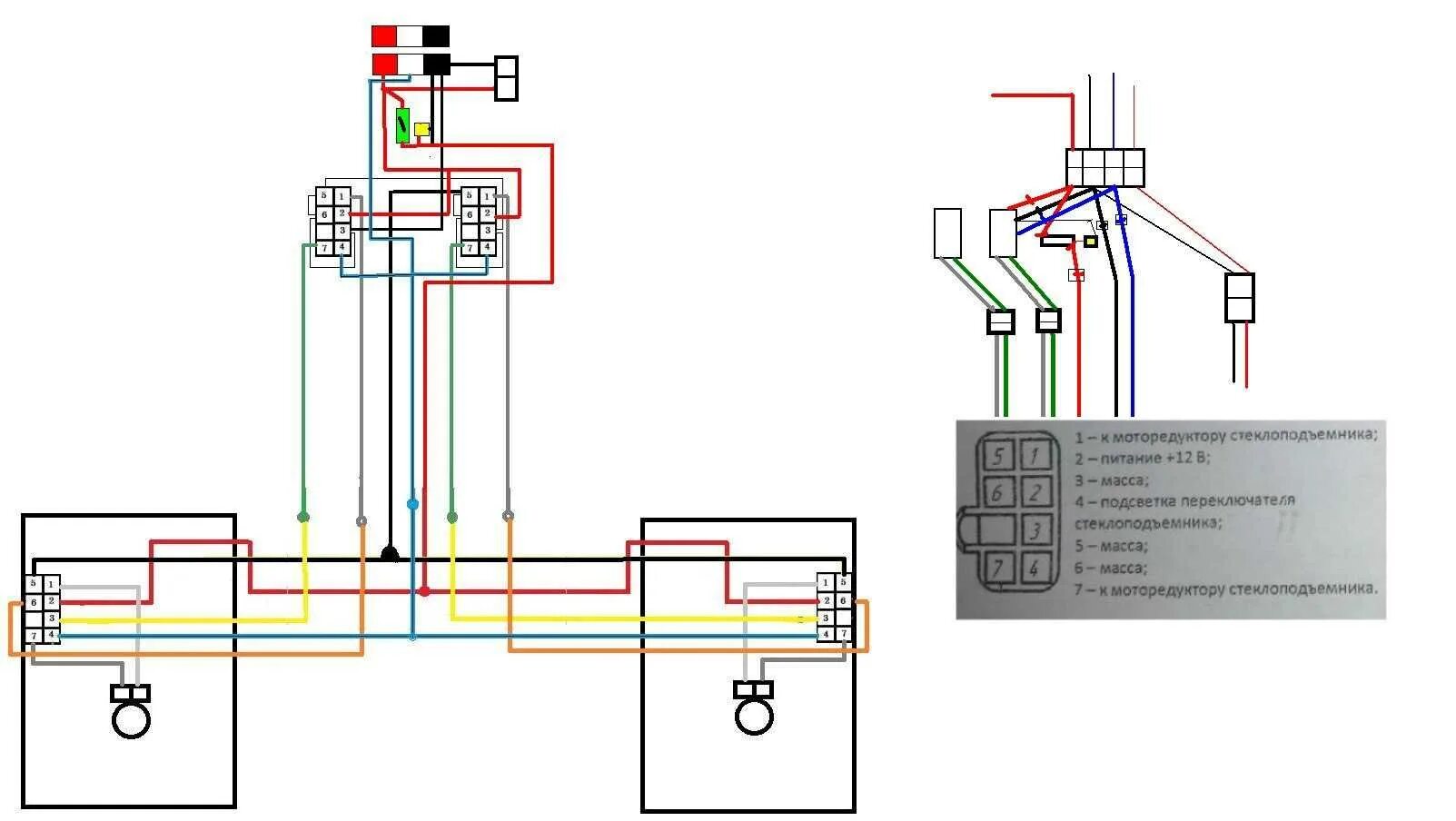
Нива шевроле не работает левый стеклоподъемник