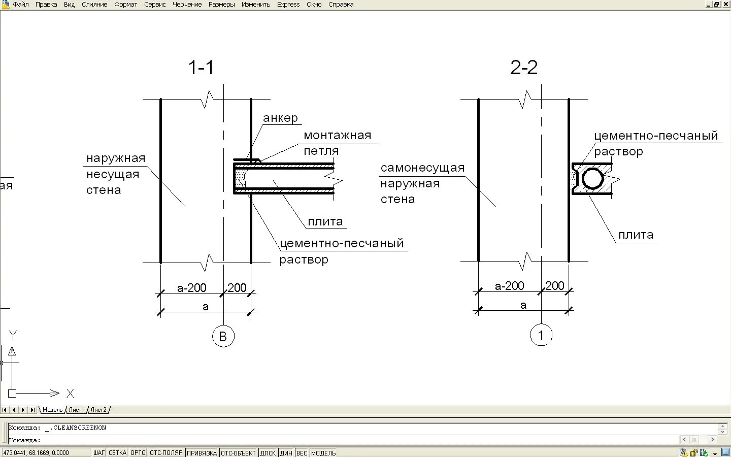
Несущие и самонесущие стены