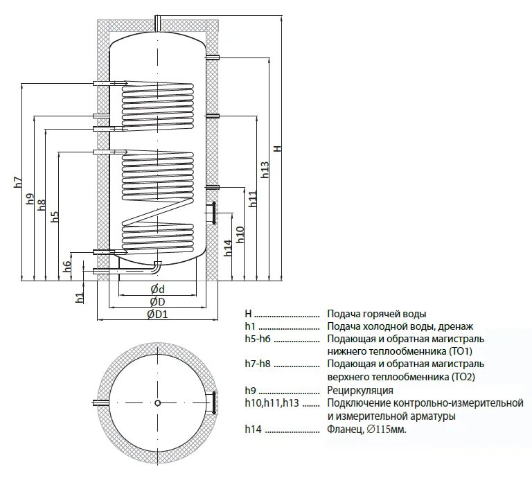
Нержавеющий бак косвенного нагрева