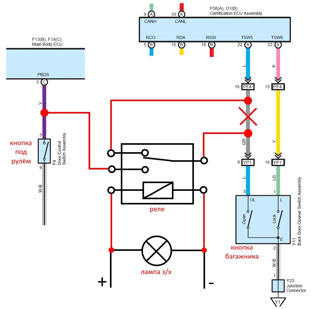
Не включается зажигание с кнопки