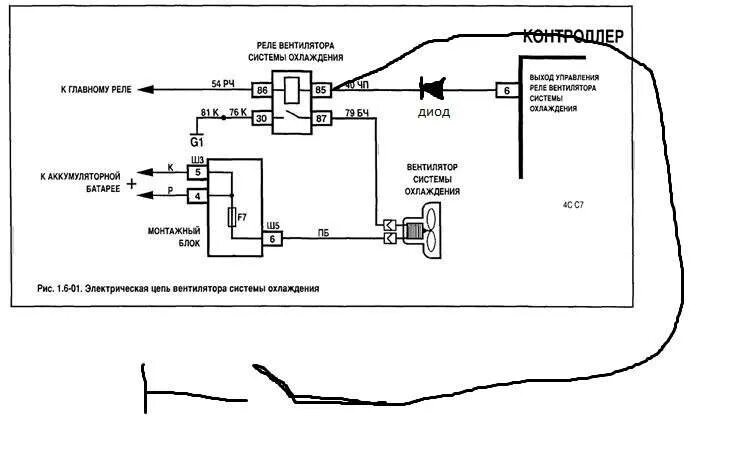
Не включается вентилятор охлаждения ваз 2115 инжектор