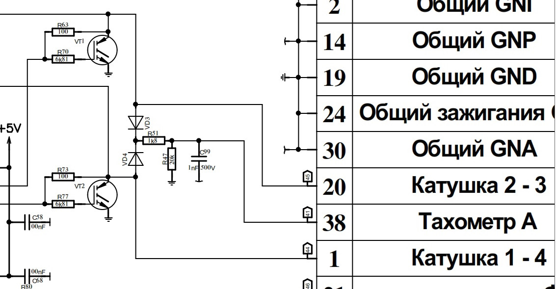
Не работает тахометр газель