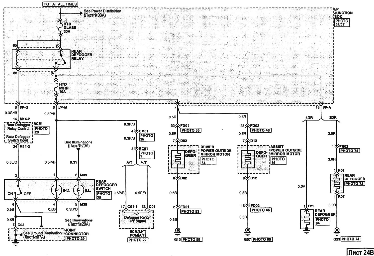
Не работает обогрев заднего стекла хендай