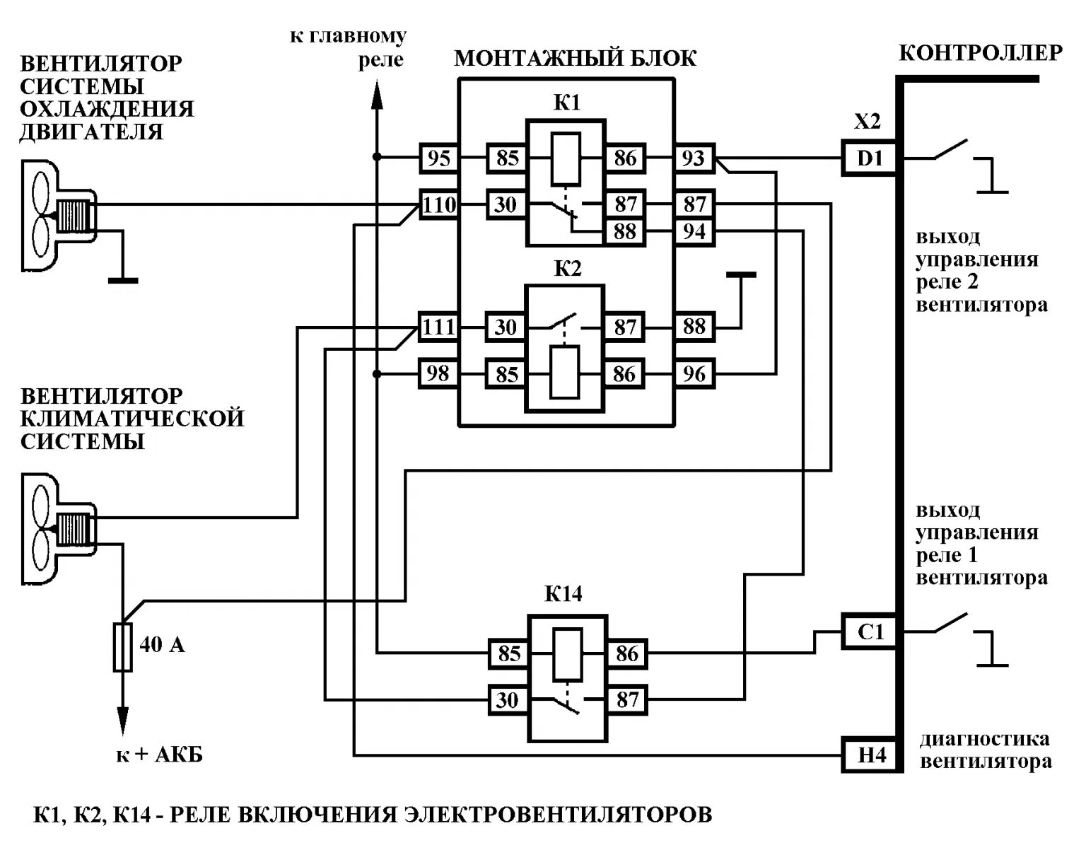
Не работает кондиционер не включается вентилятор