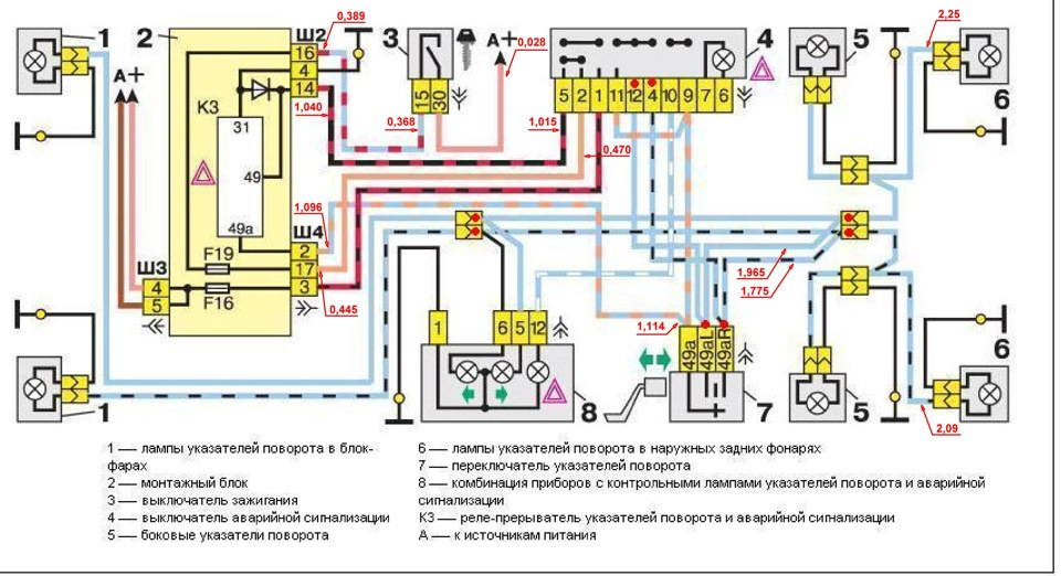
Не работает аварийка и поворотники 2115